
“El secreto del cambio reside en enfocar toda tu energía, no en luchar contra lo viejo, sino en construir lo nuevo.” Sócrates.
Inevitablemente el cambio hacia una energía más sostenible ha llegado. Hay que buscar nuevos suministros de energía que sustituyan paulatinamente y reduzcan nuestra dependencia de la energía fósil. Queremos estar a vuestro lado para participar en esta apasionante transformación. Creemos que la mejor forma de hacerlo es compatibilizando e integrando las energías provenientes de fuentes renovables con las de origen fósil, mediante una transición no traumática hacia una economía más sostenible.

Estamos preparados para acompañaros en vuestro camino.
Consulta nuestro Portfolio de ingeniería de procesos y
podrás ver mejor en qué podemos ayudarte.
Compruébalo tocando abajo.

Consulta nuestra amplia oferta de Servicios de ingeniería de procesos. Llegamos a todas las fases del diseño: conceptual, elaboración de ingeniería básica, elaboración de las especificaciones de compra de los equipos e instrumentos propias de la ingeniería de detalle, elaboración de estudios Hazop-Sil, etc.

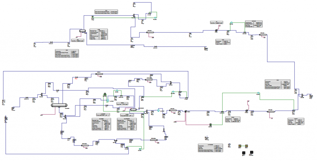
Con una sólida base en simulaciones de procesos con Aspen Hysys V14 en modo dinámico, nuestros diseños están garantizados.

Desde el diseño de los equipos que forman parte de tu planta, hasta su requisición de compra y posterior evaluación técnica y documental.
Compruébalo en nuestro apartado Servicios tocando abajo.


¿Sabías que la molécula arriba representada es el aromático
más pequeño que existe?, se descubrió de modo natural en
la atmósfera de Titan, la luna más grande de Saturno y es
nuestro logo.
Contacta con nosotros, descubrirás lo mucho que
podemos aportar en proyectos de gran envergadura
y elevado alcance en ingeniería de procesos.
En nuestro blog de ingeniería de procesos podrás encontrar algunas opiniones y artículos relacionados con la industria
Oil & Gas, Química y Renovables. Compruébalo tocando abajo.

Conoce quienes sómos, nuestras capacidades y atribuciones profesionales. Compruébalo en Acerca de nosotros tocando abajo.
